• 妖精视频在线免费观看,妖精动漫在线看,妖精视频无码,妖精视频免费网站

    砂石場妖精动漫在线看機

    產品分類

    聯係妖精视频在线免费观看

    公司名稱:寧津縣妖精视频免费网站機械設備製造有限公司

    聯係人:高經理

    手機:13805348722

    電話:0534-5232899

    郵箱:2583730447@qq.com

    地址:山東省寧津縣工業開發區

    網址: www.tobimurata.com

    帶式妖精视频在线免费观看廠家,妖精动漫在线看設備,砂石場妖精动漫在线看機

    尾礦幹排

    您的當前位置: 首 頁 >> 產品中心 >> 振動篩

    尾礦幹排

    • 所屬分類:振動篩

    • 點擊次數:
    • 發布日期:2018/10/27
    • 在線詢價
    詳細介紹

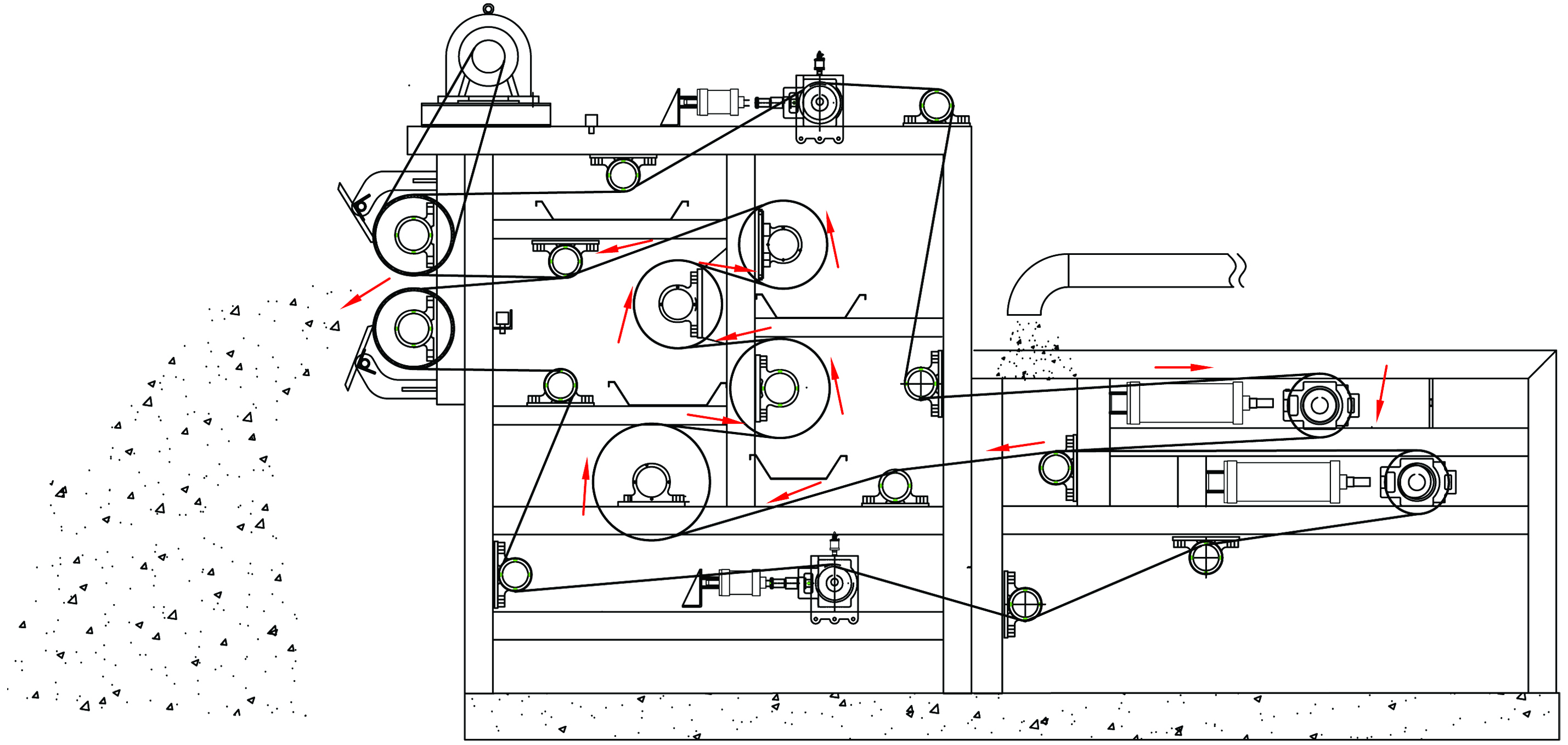
    ZTDY-GQA1539655955160846.jpg式妖精视频在线免费观看-分體妖精视频在线免费观看                                                                   

    架構特點

    本機機架此用120*80國標鍍鋅方管整體牢固焊接而成,表麵底漆一層,麵漆兩層,其抗腐蝕能力可達十年以上,瓦盒座三層密封防水效果好,調心圓柱滾心軸承,球墨鑄鐵軸承座,濾帶糾偏采用光電裝置控製穩定,濾布自動衝洗裝置,工人易於操作,穩定性好,故障率低。

    應用範圍 

    金屬、非金屬礦山尾礦脫水、砂石廠妖精动漫在线看,石油不落地妖精动漫在线看、市政管樁妖精动漫在线看、番茄清洗妖精动漫在线看、甜菜清洗妖精动漫在线看、洗煤妖精动漫在线看、鋼渣處理妖精动漫在线看、城市生活妖精动漫在线看等行業的汙水泥漿處理。


    A.png















    ZTDY-GQA型結構圖

    1540529890565644.jpg


    本文網址:http://www.tobimurata.com/product/605.html

    關鍵詞:尾礦幹排設備,尾礦幹排廠家,尾礦幹排

    上一篇:沒有了
    下一篇:ZTVD係列幹排篩

    最近瀏覽:

    網站地圖